February 17 2026 16:53:13
Navigation
·
Forside
·
Nyheder
·
Tekniske artikler
·
FAQ
·
Links
·
Album
·
Kontakt
·
Galleri Dax
·
Galleri CD50
·
Søg
·
Forum
Besøgende
·
Gæster online: 1
·
Brugere online: 0
·
Antal brugere: 255
·
Nyeste bruger:
Autosivert
Tællere
Artikelhierarki
Hovedside for artikler
»
El/tænding
»
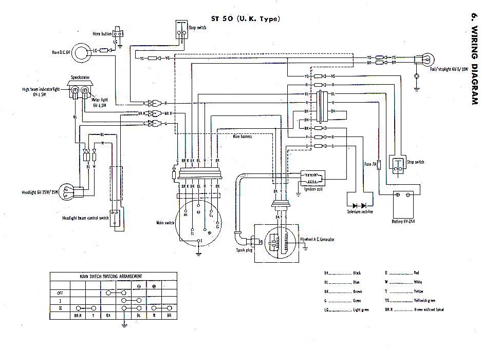
Ledningsdiagram ST50 Dax 6V UK-type
Ledningsdiagram ST50 Dax 6V UK-type
·
Skrevet af
Henrik
d. December 30 2006 5063 Fremvisninger ·
Log ind
Brugernavn
Kodeord
Er du endnu ikke registreret bruger?
Klik her
for at oprette dig.
Har du glemt dit kodeord?
Bed om et nyt
ved at klikke her
.
Siden dannet på: 0.03 sekunder
3,842,908 Unikke besøg
4stroke.dk
Powered by
PHP-Fusion
copyright © 2002 - 2026 by Nick Jones.
Released as free software without warranties under
GNU Affero GPL
v3.